发布日期:2025-12-08 浏览次数:次
1、技术参数
1.1天平:
分辨率≤0.1g,重复性≤±0.1g,线性度≤±0.2g,量程:至少8kg,称重盘尺寸:不低于30cm*20cm,支持RS232/USB接口,用于连接工作站数据传输。
1.2气体流量计:
范围不低于150L/Min,精度不低于读数的2%,气体输入输出口径为22mm,有气体,氧气,空气,氮气等多种气体校正模式,支持类似RS232/USB接口用于连接电脑数据传输。
1.3标准温度传感器:
1.3.1性能特征:
1)在水中以1m/s的流量实现22℃阶跃到37℃时,0.5s<温度传感器时间常数<1.0s;
2)环境温度对传感器精度的影响<0.01℃/1℃。
1.3.2传感器构造:
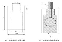
1)1根6mm长的外径为3.18mm的铜管。内径宜为热敏电阻珠留出足够的间隙。按照下图中给出的尺寸且热传导率>386W/(m·K)的任何材料。热敏电阻在25℃~45℃(在等温混合的空气或水中)之间,精度为±0.2℃。供应商通常具有在25℃时阻值2252Ω的热敏电阻。
2)热敏电阻的电导线宜是#32规格的镀锡铜线,长度至少为60mm[包含其他热传导率180W/(m·K)的材料]。热敏电阻的电导线宜被套上以实现电气绝缘和热隔离。热塑管达到了两个目的,包含任何热传导率<0.02W/(m·K)的电绝缘材料。
1.3.3尺寸:符合下图单位:毫米

1.3.4便携式终端处理系统(包括软件测试与分析系统):
处理器:CPU≥6核心12线程,基础主频≥2.6GHz;内存:≥32G+512G超速硬盘;分辨率≥1920*1080;配备集成显卡;屏幕尺寸≥15.6英寸;
1.3.5工装软件应能统计计算YY9706.274-2022附录CC中公式内容;
2、计量要求或验收方法
2.1流量:5L/Min、15L/Min、65L/Min、100L/Min,误差:≤±2%。
2.2温度:20℃+0.5℃,30℃+0.5℃,40℃+0.5℃,45℃+0.5℃,80℃,误差:≤0.5℃。
2.3标准温度传感器尺寸应符合YY9706.274-2022附录FF中要求。
2.4工装软件应能通过 YY9706.274-2022附录CC中的公式计算得出湿度输出。
3、配置清单
3.1天平,1台。
3.2便携式终端处理系统,1套。
3.3气体流量计,1台。
3.4标准温度传感器,2个。

1、技术参数
1.1天平:
分辨率≤0.1g,重复性≤±0.1g,线性度≤±0.2g,量程:至少8kg,称重盘尺寸:不低于30cm*20cm,支持RS232/USB接口,用于连接工作站数据传输。
1.2气体流量计:
范围不低于150L/Min,精度不低于读数的2%,气体输入输出口径为22mm,有气体,氧气,空气,氮气等多种气体校正模式,支持类似RS232/USB接口用于连接电脑数据传输。
1.3标准温度传感器:
1.3.1性能特征:
1)在水中以1m/s的流量实现22℃阶跃到37℃时,0.5s<温度传感器时间常数<1.0s;
2)环境温度对传感器精度的影响<0.01℃/1℃。
1.3.2传感器构造:
1)1根6mm长的外径为3.18mm的铜管。内径宜为热敏电阻珠留出足够的间隙。按照下图中给出的尺寸且热传导率>386W/(m·K)的任何材料。热敏电阻在25℃~45℃(在等温混合的空气或水中)之间,精度为±0.2℃。供应商通常具有在25℃时阻值2252Ω的热敏电阻。
2)热敏电阻的电导线宜是#32规格的镀锡铜线,长度至少为60mm[包含其他热传导率180W/(m·K)的材料]。热敏电阻的电导线宜被套上以实现电气绝缘和热隔离。热塑管达到了两个目的,包含任何热传导率<0.02W/(m·K)的电绝缘材料。
1.3.3尺寸:符合下图单位:毫米

1.3.4便携式终端处理系统(包括软件测试与分析系统):
处理器:CPU≥6核心12线程,基础主频≥2.6GHz;内存:≥32G+512G超速硬盘;分辨率≥1920*1080;配备集成显卡;屏幕尺寸≥15.6英寸;
1.3.5工装软件应能统计计算YY9706.274-2022附录CC中公式内容;
2、计量要求或验收方法
2.1流量:5L/Min、15L/Min、65L/Min、100L/Min,误差:≤±2%。
2.2温度:20℃+0.5℃,30℃+0.5℃,40℃+0.5℃,45℃+0.5℃,80℃,误差:≤0.5℃。
2.3标准温度传感器尺寸应符合YY9706.274-2022附录FF中要求。
2.4工装软件应能通过 YY9706.274-2022附录CC中的公式计算得出湿度输出。
3、配置清单
3.1天平,1台。
3.2便携式终端处理系统,1套。
3.3气体流量计,1台。
3.4标准温度传感器,2个。

客服微信二维码